高強度フェイスプロジェクション溶接ボルトは、金属シートまたは構造に強く簡単に接続するために作られた特別な種類の留め具です。それは、金属に触れる側の投影(通常はリングまたは小さな隆起)があり、これらは正確なサイズに作られています。
溶接すると、多くの電流がこれらの投影に焦点を当てています。それにより、そこの金属は本当に熱く、溶けてしまい、それが冷えたら強い溶接を形成します。この溶接は、あなたが取り組んでいる作品に強度の顔の投影溶接ボルトをしっかりと保持します。
高強度フェイスプロジェクション溶接ボルトの主な仕事は、重量を保持できる永続的なスレッドベースのアタッチメントポイントを作成することです。溶接するには、特別な投影溶接装置が必要です。
電極を押し下げて、ボルトの投影と使用している金属片から多くの電気を送ります。溶接ボルトの作成方法は、投影のみが溶けることを意味します。冷やすと、強い金属結合を形成し、その周りの金属は曲がったりゆがんだりしません。
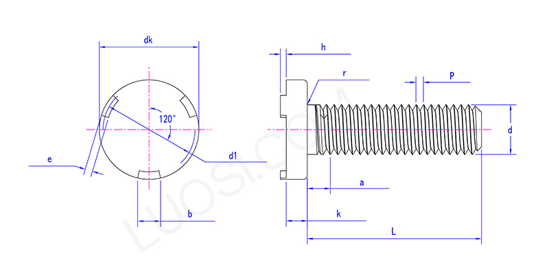
| 月 | M5 | m6 | M8 | M10 |
| P | 0.8 | 1 | 1.25 | 5 |
| DKマックス | 12.4 | 14.4 | 16.4 | 20.4 |
| dk min | 11.6 | 13.6 | 15.6 | 19.6 |
| Kマックス | 2 | 2.2 | 3.2 | 4.2 |
| k min | 1.6 | 1.8 | 3.2 | 4.2 |
| とマックス | 2.25 | 2.75 | 2.25 | 2.75 |
| e min | 1.75 | 2.25 | 1.75 | 2.25 |
| bマックス | 3.3 | 4.3 | 5.3 | 6.3 |
| b分 | 2.7 | 3.7 | 4.7 | 5.7 |
| Hマックス | 0.8 | 0.9 | 1.1 | 1.3 |
| H MIN | 0.6 | 0.75 | 0.9 | 1.1 |
| D1マックス | 10 | 11.5 | 14 | 17.5 |
| D1分 | 9 | 10.5 | 13 | 16.5 |
| r min | 0.2 | 0.25 | 0.4 | 0.4 |
| Rマックス | 0.6 | 0.7 | 0.9 | 1.2 |
| マックス | 3.2 | 4 | 5 | 5 |

高強度の顔の投影溶接ボルトには、溶接された側面には、通常、リングまたは小さなへこみがほとんど上昇していません。溶接すると、多くの電気がこれらの隆起した部品に焦点を当てています。それらは、電極が押し下げられている間、すぐにベースメタルに対して溶けます。
これにより、ボルトを適切に所定の位置に保持する強力でタイトな溶接が可能になります。彼らは板金の仕事に最適です。