炭素鋼シーリングクリンチングナットは、薄いプレートまたはシート金属を接続するために使用されるファスナーの一種です。それらは炭素鋼で作られており、硬度を高めるために和らげられ、消し込まれ、表面は亜鉛メッキまたは腐食に耐性があります。
シーリングクリンチナットは非常に簡単です。標準的な空気圧または油圧クリンチングツールを使用できます。機能の仕組みは次のとおりです。まず、ナットを事前にパンチした穴に入れてから、パンチを使用してダイセットを使用して圧力をかけます。ダイは、ナットのクリンチカラーの周りに板金を押し、1つのクイックステップでしっかりした機械的ロックを形成します。
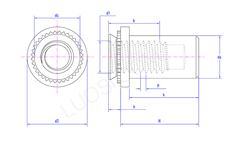
| 月 | M3-1 | M3-2 | M4-1 | M4-2 | M5-1 | M5-2 | m6-1 | m6-2 |
| P | 0.5 | 0.5 | 0.7 | 0.7 | 0.8 | 0.8 | 1 | 1 |
| DS Max | 3.84 | 3.84 | 5.2 | 5.2 | 6.35 | 6.35 | 8.75 | 8.75 |
| DC Max | 4.2 | 4.2 | 5.38 | 5.38 | 6.33 | 6.33 | 8.73 | 8.73 |
| b分 | 5.3 | 5.3 | 7.1 | 7.1 | 7.1 | 7.1 | 7.8 | 7.8 |
| Hマックス | 0.91 | 1.38 | 0.97 | 1.38 | 0.97 | 1.38 | 1.38 | 1.38 |
| Hマックス | 9.85 | 9.85 | 11.45 | 11.45 | 11.45 | 11.45 | 14.55 | 14.55 |
| H MIN | 9.35 | 9.35 | 10.95 | 10.95 | 10.95 | 10.95 | 14.05 | 14.05 |
| Kマックス | 8.5 | 8.5 | 9.8 | 9.8 | 9.8 | 9.8 | 12.7 | 12.7 |
| D2 Max | 6.6 | 6.6 | 8.2 | 8.2 | 9 | 9 | 11.35 | 11.35 |
| D2分 | 6.1 | 6.1 | 7.7 | 7.7 | 8.5 | 8.5 | 10.85 | 10.85 |
| D1 | M3 | M3 | M4 | M4 | M5 | M5 | m6 | m6 |
炭素鋼シーリングクリンチナッツは、糸のサイズ(M4、M5、M6、または1/4 "-20)、クリンチカラーの直径、総高さ、シーリングワッシャー寸法、および作業型のシートの厚さの範囲(MINとMAXの両方)(MINとMAXの両方)で定義されます。
彼らのクリンチ強度(彼らが押し出されたりねじれたりすることにどれだけうまく抵抗したり)は、業界の基準に対してテストされています(ISO、DIN、IFIを考えてください)。適切なサイズを選ぶのは大したことです。それはシールが保持され、ナットが仕事に十分強くなることを確認します。
炭素鋼シーリングクリンチナットを設置するには、特殊なクリンチングツールが必要で、ナットのサイズに正確に一致するダイセットが必要です。まず、ナットを板金の事前にパンチした穴に入れます。次に、このツールは制御された圧力を適用し、ナットのパイロットとKnurlが周囲の金属に沈みます。このコールドフォーミングプロセスは、ステンレス鋼のナットを永久に、同時に所定の位置にロックし、パネルに対して組み込みのシーリングワッシャーを押しつけます。これが、これらのナットをユニークなものにするリークプルーフシールを作成する方法です。
