NTEナイロンインサートロックナット内部スレッドにナイロンカラーを備えたセルフロックファスナーです。ボルトにねじ込まれた場合、ナイロンは糸をロックし、バイブレーションや動きがある場合はナットが簡単に緩む可能性が低くなります。

The NTEナイロンインサートロックナット亜鉛メッキ鋼やステンレス鋼などの材料で作られており、信頼性が重要な機械、車両、または機器用に設計されています。通常のナットとは異なり、NTEナイロンインサートロックナット余分なロックワッシャーや接着剤は必要ありません。それ自体でロックします。インストールが簡単で、再利用可能(制限内)、産業用セットアップと日常の修理の両方で機能します。
を使用しますNTEナイロンインサートロックナット振るまたは移動する部品を固定するため。例:オートバイのフットペグを固定し、コンベアベルトローラーを所定の位置に保ち、調整可能な部品でオフィスチェアを組み立てます。また、ガーデントレーラーや自転車ラックなどの屋外機器にも便利です。このラックでは、隆起や天気が標準的なナットを緩める可能性があります。ホームワークショップでは、ぐらつきテーブルを修正したり、使用中に振動する電動工具コンポーネントを固定するのに最適です。
あなたが見るでしょうNTEナイロンインサートロックナット自動車製造(エンジンマウント、サスペンションパーツ)、HVACシステム(ファンブレードやダクトワークのセキュリティ)、および洗濯機や運動バイクなどの消費財。また、農業機械、自転車、エレクトロニクスアセンブリでも一般的です。これは、振動や頻繁な調整が通常のナッツを緩める可能性がある場所です。

| 市場 |
総収益(%) |
| 北米 |
14 |
| 南アメリカ |
10 |
| 東欧 |
16 |
| 東南アジア |
10 |
| ミッドイースト |
7 |
| 東アジア |
17 |
| 西欧 |
12 |
| 南アジア |
6 |
| 国内市場 |
8 |
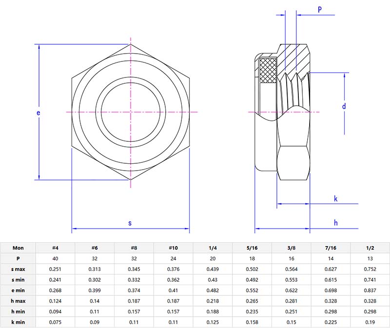
Xiaoguo®はカスタマイズできますNTEナイロン挿入ロックナットあなたにボルト。の六角形の形状ナット標準的なレンチにフィットし、内部のナイロンは耐摩耗性があります。サンプルを提供できます。また、無料のサンプルがニーズを満たしてから大量注文するかどうかをテストできます。