> 製品 > ナット > その他のナッツ > セルフロックナット2ラグアンカー
        セルフロックナット2ラグアンカー

        セルフロックナット2ラグアンカー

        Xiaoguo®セルフロックナット2ラグアンカーは、振動環境での永続的な留め具に使用される米国航空宇宙標準AN 373-1991に厳密に従って製造されたナッツです。セルフロックナット航空機の皮やエンジンハンガーなどのシナリオでは、2つのラグアンカーが使用されています。
        モデル:AN 373-1991

        お問い合わせを送信

        製品説明



        摩擦セルフロック:セルフロックナット2ラグアンカーには、内側の糸に埋め込まれたナイロンリング(温度耐性-55℃〜120℃)があり、ボルトを噛むと20%の追加トルクを生成し、抗lo延のレベルはNASM 55570クラス3に達します。

        ダブルイヤーリミッター:ダブルラグはパレットスロットと協力して、セルフロックナットの回転を制限し、従来のシングルイヤーナットの「偽のセルフロック」現象を避けます。



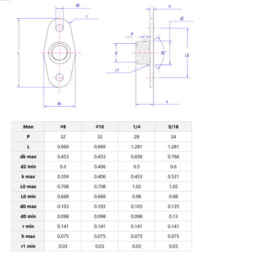
        製品の詳細とパラメーター


        リチウムバッテリーパック用のセルフロックナット2ラグアンカー、断熱コーティング付き。

        セルフロックナットのラグ2ラグアンカーは、±0.1mmの精度でサポートプレートのノッチと一致し、翼の内側などのブラインドエリアでの片手ブラインドインストールをサポートします。




        Self-locking nuts one lug

        Self-locking nuts one lug


        市場分布

        市場
        収益(前年)
        総収益(%)
        北米
        機密
        21
        南アメリカ
        機密 3
        東欧
        機密
        20
        東南アジア
        機密
        3
        オセアニア
        機密
        2
        ミッドイースト
        機密
        5
        東アジア
        機密
        15
        西欧
        機密
        13
        中米
        機密
        5
        北欧
        機密
        2
        南ヨーロッパ
        機密
        1
        南アジア
        機密
        5

        国内市場

        機密
        5


        製品が適用される業界


        Military equipment: missile compartment connection, drone wing folding mechanism, Self locking nuts two lug anchor meets the anti-loosening requirements of GJB 1217A-2017.

        航空宇宙:航空機胴体皮膚接続(C919あたり2,000個以上)、ロケット推進剤パイプライン固定。

        鉄道輸送:高速鉄道ボギーボルトアンカー、地下鉄のドアヒンジセルフロック、30Hzの高周波振動に対処するため。

        新しいエネルギー車:リチウムバッテリーパックボックスの固定;



        ホットタグ: セルフロックナット2ラグアンカー、中国、メーカー、サプライヤー、工場
        関連カテゴリー
        お問い合わせを送信
        下記フォームよりお気軽にお問い合わせください。 24時間以内に返信いたします。
        X
        当社は Cookie を使用して、より良いブラウジング体験を提供し、サイトのトラフィックを分析し、コンテンツをパーソナライズします。このサイトを使用すると、Cookie の使用に同意したことになります。 プライバシーポリシー
        拒否する 受け入れる