> 製品 > ナット > その他のナッツ > UN ステンレス鋼シール クリンチング ナット
        UN ステンレス鋼シール クリンチング ナット
        • UN ステンレス鋼シール クリンチング ナットUN ステンレス鋼シール クリンチング ナット
        • UN ステンレス鋼シール クリンチング ナットUN ステンレス鋼シール クリンチング ナット
        • UN ステンレス鋼シール クリンチング ナットUN ステンレス鋼シール クリンチング ナット
        • UN ステンレス鋼シール クリンチング ナットUN ステンレス鋼シール クリンチング ナット
        • UN ステンレス鋼シール クリンチング ナットUN ステンレス鋼シール クリンチング ナット

        UN ステンレス鋼シール クリンチング ナット

        UN ステンレス鋼シーリング クリンチ ナットは、クリンチ取り付けプロセスを通じて板金アセンブリに漏れ防止シールを作成するために設計された特殊なファスナーです。Xiaoguo® が製造するファスナーは品質基準を満たしており、手頃な価格です。
        モデル:QIB/IND BS

        お問い合わせを送信

        製品説明

        UN ステンレス鋼シーリング クリンチング ナットは、板金に永久的に取り付けられる特殊な留め具です。クリンチングベースの下に、通常はゴムワッシャーまたは成形シールであるシール部品が組み込まれています。このナットをシートにあらかじめ開けられた穴に押し込みます (「クリンチ」)。これを行うと、穴の周囲の金属が変形して、強度に耐えるねじ山を形成し、同時にシールを圧縮します。

        特徴:

        UN ステンレス鋼のシーリング クリンチング ナットは円形で、一端に歯とガイド溝があります。高強度ステンレス鋼材を使用しており、耐食性、耐高温性に優れています。通常のナットに比べてシール性が優れています。

        UN シーリング クリンチング ナットの大きな利点の 1 つは、厳しい条件下でも信頼性が高いことです。クリンチのデザインは非常に頑丈で、押し出されたりねじれたりしにくいため、振動があっても糸が外れません。重要なのは内蔵シールです。ナットを取り付けるとシールが押しつぶされ、すぐに強固なバリアが形成されます。これにより、ナットが締め付けられる周囲に湿気、ほこり、ガス、液体が侵入するのを防ぎます。

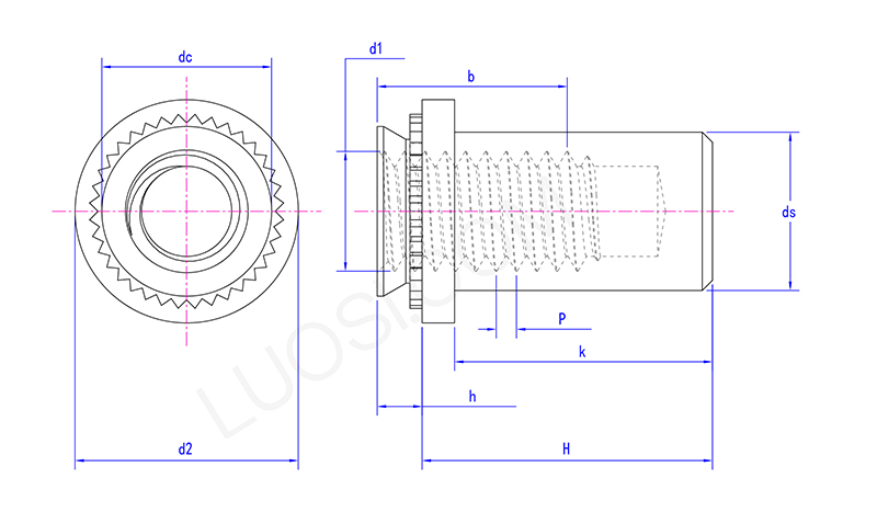
        440-1 440-2 632-1 632-2 832-1 832-2 032-1 032-2 0420-1 0420-2
        P 40 40 32 32 32 32 32 32 20 20
        b分 0.21 0.21 0.23 0.23 0.28 0.28
        0.28
        0.28
        0.31 0.31
        d1 #4 #4 #6
        #6
        #8
        #8
        #10
        #10
        1/4 1/4
        d1分 0.24 0.24 0.27 0.27 0.3 0.3 0.33 0.33 0.42 0.42
        d2最大 0.26 0.26 0.29 0.29 0.32 0.32 0.35 0.35 0.44 0.44
        直流最大値 0.165 0.165 0.187 0.187 0.212 0.212 0.249 0.249 0.343 0.343
        ds マックス 0.15 0.15 0.169 0.169 0.204 0.204 0.235 0.235 0.305 0.305
        最大時間 0.038 0.054 0.038 0.054 0.038 0.054 0.038 0.054 0.054 0.087
        H 最大値 0.39 0.39 0.39
        0.39
        0.45 0.45
        0.45
        0.45
        0.57 0.57
        H分 0.37 0.37
        0.37
        0.37
        0.43 0.43
        0.43
        0.43
        0.55 0.55
        kmax 0.335 0.335
        0.335
        0.335
        0.385 0.385
        0.385
        0.385
        0.5 0.5

        “UN


        UN シーリング クリンチング ナットにはどのような特定のステンレス鋼グレードが使用されていますか?またその理由は何ですか?

        当社のステンレス鋼製 UN ステンレス鋼シーリング クリンチング ナットは、通常 304 (A2) または 316 (A4) グレードを使用します。 304 は一般的な防錆性と成形に優れており、ほとんどの設定で機能します。 316 は塩化物や酸に対して優れているため、海洋や化学の仕事では重要です。どちらのグレードも、これらのナットが長持ちし、温度範囲内で確実に機能することを保証します。 T


        ホットタグ:
        関連カテゴリー
        お問い合わせを送信
        下記フォームよりお気軽にお問い合わせください。 24時間以内に返信いたします。
        X
        当社は Cookie を使用して、より良いブラウジング体験を提供し、サイトのトラフィックを分析し、コンテンツをパーソナライズします。このサイトを使用すると、Cookie の使用に同意したことになります。 プライバシーポリシー
        拒否する 受け入れる