> 製品 > ピン > ピンシャフト > クレビスピン
        クレビスピン
        • クレビスピンクレビスピン
        • クレビスピンクレビスピン
        • クレビスピンクレビスピン
        • クレビスピンクレビスピン
        • クレビスピンクレビスピン

        クレビスピン

        クレビス ピンは、機械部品をしっかりと接続するために使用される丸いピンです。クレビス ピンおよびタングと組み合わせて使用​​するため、回転またはヒンジが必要なオブジェクトに適しています。 Xiaoguo® は、産業用途向けの高品質ファスナーの提供を専門とする世界有数の輸出業者です。
        モデル:SAE J493-1961

        お問い合わせを送信

        製品説明

        A クレビスピン重要な留め具です。機械内で部品を回転させたり、直線に沿って接続したりする必要がある場合に、部品を保持するために使用されます。丸いシャフトの一方の端にコッターピンまたはスプリットリング用の穴が開けられています。これにより、多大なストレスや重い負荷がかかったときに障害が発生するのを防ぎます。シンプルだけど丈夫なデザインなので、出し入れも簡単です。そのため、頻繁に調整する必要があるセットアップに適しています。

        これらのピンは、リンケージ、制御システム、重機でよく見られます。部品を回転または移動させながら、すべてを安定させます。これらは特定の基準に基づいて製造されているため、安全で長持ちする部品を必要とする業界はこれらの部品に大きく依存しています。

        リンケージ、制御システム、重機などに使用され、接続された部品が回転したり移動したりするが、ずれることなく安定して動作します。当社のピンは品質基準に従って製造されており、安全で耐久性のある部品を必要とする業界でよく使用されています。

        clevis pin

        サイズ

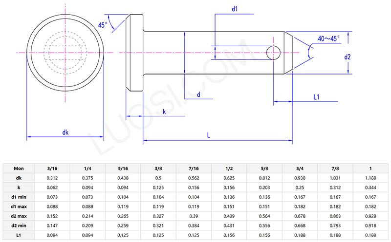
        クレビス用ピン標準サイズがあり、直径は 1/4 インチから 2 インチ、長さは 0.5 インチから 12 インチです。 ASME B18.8.1 や ISO 2341 などの規格に従っています。特殊な機械用にカスタム サイズが必要な場合は、±0.001 インチという小さい公差でも製造できます。ピンを通す穴(コッターピンまたはRクリップ用)は正確に加工されているため、完全に一致します。

        メートル法とインペリアル版の両方があるため、世界中のどこでも使用できます。メーカーはエンジニアリング設計に役立つ CAD モデルを提供します。振動が多いセットアップの場合は、ピンの滑りを防ぐためにローレット加工または溝付きの表面を備えたオプションがあります。

        clevis pin parameter

        共通の素材と耐久性

        私たちのクレビスピン高品質のステンレス鋼または炭素鋼で作られています。炭素鋼ピンは熱処理されており、強度と耐摩耗性が向上しています。ステンレス鋼のピンは錆びにくいため、過酷な環境に非常に適しています。炭素鋼ピンの場合は、亜鉛メッキまたはその他の防錆層を追加して保護します。

        ピンの各バッチを注意深く検査し、硬度とサイズが均一であることを確認します。このようにして、機械的リンケージ、農業機械、建設機械などの用途で安定して長期間動作することができます。お客様の負荷や環境に適した特定の材料が必要な場合は、お知らせください。お客様に合わせてカスタマイズいたします。


        製品の表面処理

        これらのピンの表面処理は、さまざまな使用環境に合わせて、防錆と摩耗保護を主に重視しています。最も一般的なのは亜鉛メッキです。このプロセスは表面に薄い亜鉛層をコーティングします。これにより酸化が防止され、一般的な屋内での使用にコスト効果が高くなります。屋外や湿気の多い場所には亜鉛メッキが使用されます。亜鉛メッキよりも厚く、雨や湿気に対する耐性が優れています。一部のピンには黒色酸化処理が施されており、濃い色の仕上げと穏やかな耐食性が追加されており、高い防錆性能を必要としない機械部品によく使用されます。不動態化は、主にステンレス鋼ピンの自然な耐食性を強化するための別のオプションです。処理プロセスは業界の基本的な慣行に従っており、層がしっかりと密着し、簡単には剥がれません。クレビス ピンは、その使用目的に基づいて適切な表面処理が施されているため、追加のメンテナンスを行わなくても長期間にわたって性能が維持されます。  

        製品仕様とグレード

        仕様とグレードはさまざまな用途のニーズに合わせて異なり、従うべき明確な基準があります。サイズは直径と長さによって測定され、軽作業用の直径 3 mm の小さなピンから、過酷な作業用の 20 mm 以上の大きなピンまであります。長さは通常 10mm ~ 150mm ですが、メーカーによってはご要望に応じて特注サイズを製作する場合もあります。ピン頭のスタイルも仕様です。ほとんどの場合、平頭または丸い頭があり、もう一方の端には所定の位置に固定するための割ピン用の穴があります。グレードは材料の強度に関係します。炭素鋼ピンの一般的なグレードは ASTM 規格に準拠しており、より高いグレードは耐荷重用途に使用されます。ステンレス鋼のピンは AISI 規格に従っていることが多く、304 や 316 などの材料番号が付けられています。各ピンには仕様とグレードのラベルが付いているため、ユーザーは正しいものを選択できます。クレビス ピンは各グレードの対応する規格を満たしており、性能の不一致がなく、使用される負荷と環境に確実に適合します。




        ホットタグ: クレビス ピン、中国、メーカー、サプライヤー、工場
        関連カテゴリー
        お問い合わせを送信
        下記フォームよりお気軽にお問い合わせください。 24時間以内に返信いたします。
        X
        当社は Cookie を使用して、より良いブラウジング体験を提供し、サイトのトラフィックを分析し、コンテンツをパーソナライズします。このサイトを使用すると、Cookie の使用に同意したことになります。 プライバシーポリシー
        拒否する 受け入れる