|
月 |
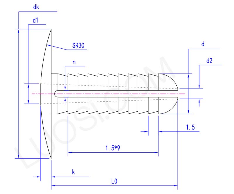
F6 |
F8 |
Φ10 |
|
dmax |
6 | 8 | 10 |
|
管理者 |
5.8 | 7.8 | 9.8 |
|
最大DK |
16.2 | 16.2 | 18.2 |
|
DK分 |
15.8 | 15.8 | 17.8 |
|
kmax |
1.6 | 1.6 | 2.1 |
|
k分 |
1.4 | 1.4 | 1.9 |
|
L0 |
20 | 20 | 22 |
|
d1 |
3 | 4 | 5 |
|
d2 |
1.5 | 2 | 3 |
|
n |
1 | 1 | 1.5 |
拡張リベット クリップ リテーナーは便利なプラスチック製ファスナーです。通常の金属製割ピンに代わって、錆びにくく安全で軽量なオプションとして機能します。
基本的には円筒形で、真ん中に割れ目が入っています。あらかじめ開けられた穴に通してから、2 本の脚を曲げてクレビス ピン、シャフト、リンケージなどの部品を所定の位置に保持します。このプラスチック バージョンでは、金属の磨耗、鋭利なエッジ、電気腐食などの問題が解消されます。
拡張リベット クリップ リテーナーの主な利点は、安全性、軽量化、さまざまな環境での耐久性にあります。
金属製のピンと違い、鋭いバリで抜き差しの際に手を切ってしまう心配がありません。はるかに軽いので、これは航空宇宙や自動車の用途にとって非常に重要です。
さらに、拡張リベットクリップリテーナーは錆びや腐食に強いのが特徴です。水気の多い場所や薬品の周囲、電気が不足している場所、金属針が誤作動やトラブルを起こす可能性がある場所でも使用できます。

当社のエキスパンド リベット クリップ リテーナーのせん断強度の具体的な値は、ピンの直径と特定の材料グレードによって異なります。
機械、自動車部品、組立ラインで一般的な、多くの振動や移動荷重に対処できるように設計されています。
自然な柔軟性と弾力性を備えた素材なので、衝撃を吸収します。そのため、多くの過酷な環境において金属ピンに代わる信頼性の高い代替品となり、簡単には磨耗せず、接続する部品の磨耗も軽減されます。
