プラスチック拡張リベット クリップの自然な特徴により、特別な用途に適しています。電気を通さないため、配電ボックスや高電圧エリアでは非常に重要です。爆発が起こる可能性のある場所 (ATEX ゾーン) では特に必要な火花が発生しません。
また、MRI 室や精密な電子機器、つまり金属ピンからの小さな磁場さえも許可されない場所でも、これなしでは過ごせません。

優れたプラスチック拡張リベットクリップは、一貫して機能することを確認するために厳格なテストを受けています。これらのテストでは、サイズの精度、どれくらいの引っ張りに耐えられるか、衝撃にどれだけうまく対処できるか、さまざまな化学薬品で機能するかどうかなどを確認します。
Xiaoguo® のプラスチック割りピンは、指定された要件を満たす材料を使用して業界標準に従って製造されており、性能が保証されています。意図された目的に合わせて物体を安全かつ確実に保持します。プラスチック製の割ピンは金属製の割ピンに比べ耐食性があり、錆びにくいです。

月
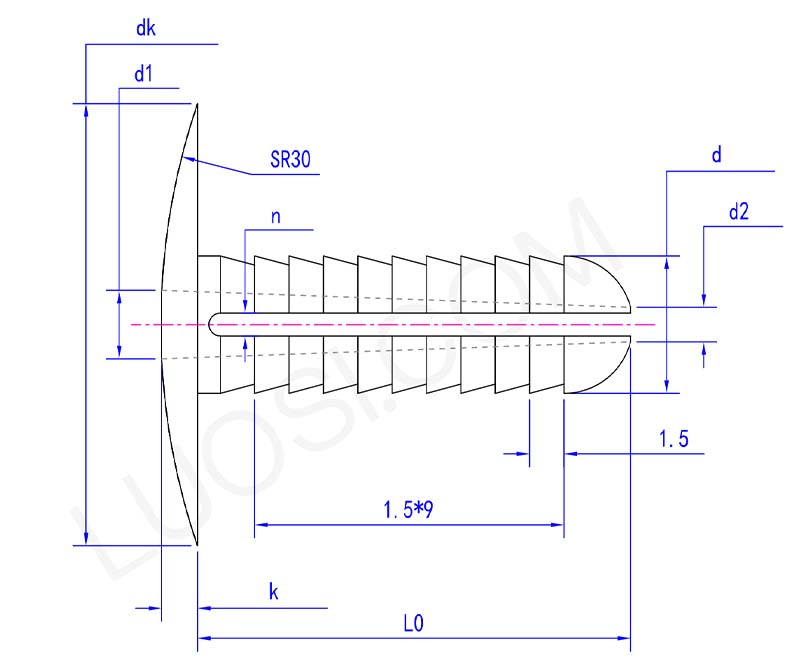
F6
F8
Φ10
dmax
6
8
10
管理者
5.8
7.8
9.8
最大DK
16.2
16.2
18.2
DK分
15.8
15.8
17.8
kmax
1.6
1.6
2.1
k分
1.4
1.4
1.9
L0
20
20
22
d1
3
4
5
d2
1.5
2
3
n
1
1
1.5
当社の標準プラスチック拡張リベット クリップは、RoHS や REACH などの主要な国際規制に準拠した材料で作られています。食品と接触する用途向けに FDA 認定バージョンも提供しています。ご要望に応じて適合証明書をご提供いたします。
当社の材料は製造時に世界基準に従って慎重に選択され、関連する品質基準への準拠を保証し、安全な輸出と世界中での幅広い使用を保証します。