> 製品 > ナット > 手ねじナット > 高頭ローレットナット
        高頭ローレットナット
        • 高頭ローレットナット高頭ローレットナット
        • 高頭ローレットナット高頭ローレットナット

        高頭ローレットナット

        モーションコントロールの未来を統合します。 XIAO GUO の最新の高頭ローレットナットは、最適化されたボール循環を特徴とし、より静かな動作と高速化を実現します。次世代機械に最適な高級高頭ローレットナットです。

        お問い合わせを送信

        製品説明

        高頭ローレットナットの送料は、注文サイズと配送先住所によって異なります。通常、注文が少量の場合、送料が高くなります。サンプルバッチや 5000 個未満などの少量の注文の場合は、DHL や FedEx などの宅配業者を使用します。通常、費用は25ドルから90ドルの範囲で、配達には3日から7日かかります。郵便の方が安いですが、時間がかかり、10 ~ 18 日ほどかかります。

        10,000 個を超える大量注文の場合は、船便または航空便の方が有利です。船便の方が費用効率が高く、1立方メートルあたり350ドルから900ドルかかりますが、20日から35日かかります。航空輸送の方が早い (5 ~ 10 日) ものの、1 キログラムあたり約 6 ~ 9 ドルと高価です。輸送中の損傷を避けるために適切に梱包します。

        ご注文数量と配送先を教えていただければ、正確なお見積りを出します。隠れた料金は発生せず、実際の送料のみをお支払いいただきます。高頭ローレットナットの配送オプションは、少量のサンプルと大量のまとめ買いの両方に対応し、さまざまな予算と時間のニーズに対応します。

        製品の外観特性

        全体的にシンプルな円筒形で、余計なデザインはありません。外面は滑らかなので、取り付け時にあらかじめ開けられた穴に簡単にフィットします。一端の周りには小さなフランジがあり、これにより、押し込まれた後に金属板から滑り落ちないようになっています。

        内側には一般的なボルトサイズに適合する均等なねじ山が付いています。ネジ山は鋭すぎず、ボルトとのフィット感がちょうど良いです。もう一方の端は平らなので、取り付け後に金属板にぴったりとフィットし、部品が突き出ることはありません。

        サイズが小さく、薄板金属のニーズに適合します。表面には亜鉛メッキや不動態化などの基本的なコーティングが施されているだけで、余分な色や装飾はありません。高頭ローレットナットの形状は実用性を重視しており、板金組立作業での取り付けや作業が簡単です。

        High Head Knurled Nuts

        質疑応答

        Q:標準以外のサイズでカスタマイズできますか?

        A:はい、標準以外のねじサイズや外径のカスタムオーダーも受け付けております。詳細なサイズ要件と予想注文数量をお送りいただくだけです。カスタムオーダーの製作時間は約15〜20日で、通常のものより少し長くなります。数量が50,000個を超える場合、追加の金型費用はかかりません。量産前にサンプルをお送りして確認させていただきます。  


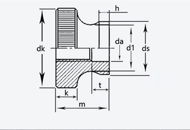
        サイズ ピッチ 外径 身長 k DS d1 T h
        最大 最大 最大 最大 最大
        M3 0.5  11  10.7  6.64  2.8  5.7  3.5  3.2  5.2  1.2 
        M4 0.7  12  11.7  7.64  7.64  4.5  4.2  6.4  2.5  1.5 
        M5 0.8  16  15.7  10  96.6  10  9.64  5.5  5.5 
        M6 20  19.7  12  11.6  12  11.6  6.56  6.2  11  2.5 
        M8 1.25  24  23.7  16  15.6  16  15.6  8.86  8.5  13 
        M10 1.5 30 29.7 20 19.5 8 20 19.5 10.9 10.5 17.2 6.5 3.8
        ホットタグ: 高頭ローレットナット、中国、メーカー、サプライヤー、工場
        関連カテゴリー
        お問い合わせを送信
        下記フォームよりお気軽にお問い合わせください。 24時間以内に返信いたします。
        X
        当社は Cookie を使用して、より良いブラウジング体験を提供し、サイトのトラフィックを分析し、コンテンツをパーソナライズします。このサイトを使用すると、Cookie の使用に同意したことになります。 プライバシーポリシー
        拒否する 受け入れる