> 製品 > ボルト > 四角頭ボルト > 斜め頭ボルト
        斜め頭ボルト
        • 斜め頭ボルト斜め頭ボルト
        • 斜め頭ボルト斜め頭ボルト
        • 斜め頭ボルト斜め頭ボルト

        斜め頭ボルト

        斜頭ボルトは、機械製造、建設産業、自動車製造などの分野で広く使用されている一般的な締結具です。Xiaoguo® は、お客様からの定期的なコミュニケーションとフィードバックを通じて、最高レベルの顧客満足を保証するために常にサービスを改善しています。
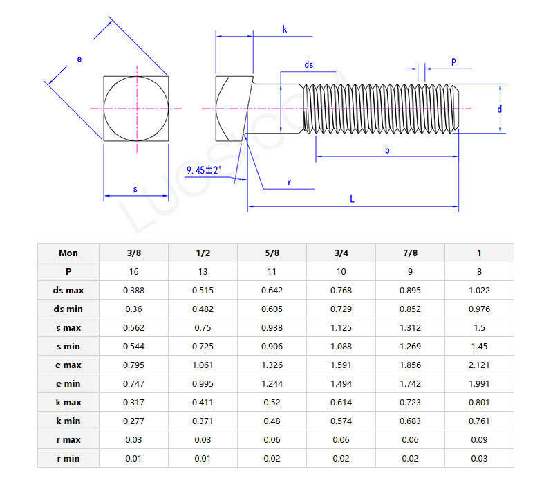
        モデル:ASME/ANSI B18.2.1-4-2012

        お問い合わせを送信

        製品説明

        斜頭ボルトは、頭部が角張った独特の特徴的な形状をした特殊なボルトです。

        分類

        サイズ分類:斜頭ボルトは、M3、M4、M5などのサイズに応じてさまざまな仕様に分けられ、さまざまなねじ径と長さに対応します。

        材料分類: さまざまな使用環境に応じて、斜め頭ボルト炭素鋼とステンレス鋼の2種類に分けられます。炭素鋼材料は強度は高いですが、耐食性はありません。ステンレス鋼は耐食性に優れています。

        精度等級の分類:斜頭ボルトの精度等級は、普通級と上級に分けられます。普通グレードのねじ公差範囲は大きく、一般的な用途に適しています。高度なねじ公差はより小さく、より正確であり、精密用途に適しています。

        アプリケーションシナリオとインストール方法

        機械製造:斜頭ボルトは、機械装置、工作機械、伝動装置などの機械製造分野で広く使用されています。

        建設業界: 建設分野では、梁、プレート、柱などのさまざまなコンポーネントを固定するために斜めボルトがよく使用されます。

        自動車製造:自動車の製造工程では、斜め頭ボルトエンジン、ギアボックスなどの自動車部品を固定するために使用されます。


        oblique head bolt

        ご使用前に、スムーズに取り付けるために、ねじ部に汚れや異物がないことを確認してください。斜め頭ボルトを対象のねじ穴に合わせて、ボルトが穴と一致していることを確認してください。適切なレンチまたはドライバーを使用して、ボルトが動かなくなるまでゆっくりと締めてください。ボルトが締まっているかを確認してください。締め付けトルクが規定トルクに達していない場合は、ボルトを増し締めしてください。取り付けは完了です。斜め頭ボルトすべての接続部品がしっかりと安定していることを確認してください。

        oblique head bolt

        oblique head bolt

        製品の仕様と規格

        の仕様は、斜め頭ボルトM8からM64まで種類が豊富で、長さも数十ミリから数メートルまであります。市場で一般的な仕様には 4.8 と 8.8 が含まれており、顧客は特定のニーズに応じて適切な仕様とグレードを選択できます。 さらに、これらのボルトは、特殊な用途シナリオを満たすために、さまざまな形状の部品の要件に応じてカスタマイズすることもできます

        市場

        市場
        収益(前年度)
        総収益 (%)
        北米
        機密
        20
        南アメリカ
        機密
        4
        東欧
        機密
        24
        東南アジア
        機密
        2
        アフリカ
        機密
        2
        オセアニア
        機密
        1
        中東
        機密
        4
        東アジア
        機密
        13
        西欧
        機密
        18
        中米
        機密
        6
        北欧
        機密
        2
        南ヨーロッパ
        機密
        1
        南アジア
        機密
        4
        国内市場
        機密
        5


        ホットタグ: 斜めヘッドボルト、中国、メーカー、サプライヤー、工場
        関連カテゴリー
        お問い合わせを送信
        下記フォームよりお気軽にお問い合わせください。 24時間以内に返信いたします。
        X
        当社は Cookie を使用して、より良いブラウジング体験を提供し、サイトのトラフィックを分析し、コンテンツをパーソナライズします。このサイトを使用すると、Cookie の使用に同意したことになります。 プライバシーポリシー
        拒否する 受け入れる