> 製品 > ナット > 手ねじナット > カラーローリングナット付き丸ノブ
      カラーローリングナット付き丸ノブ
      • カラーローリングナット付き丸ノブカラーローリングナット付き丸ノブ
      • カラーローリングナット付き丸ノブカラーローリングナット付き丸ノブ

      カラーローリングナット付き丸ノブ

      精密な直線運動を実現するには、XIAO GUO の先進的なカラー ローリング ナット付きラウンド ノブを選択してください。ボールねじ用に設計されており、スムーズで高効率な動きを保証するため、当社は CNC およびオートメーション システム向けの信頼できる中国のカラー ローリング ナット付きラウンド ノブのサプライヤーとなっています。

      お問い合わせを送信

      製品説明

      まず、丸ノブとカラーローリングナットのサイズに合わせて板金に穴を開けます。穴が大きすぎないように注意してください。大きすぎると、正しくロックされません。穴に残った金属の削りくずを取り除きます。設置の邪魔になる可能性があります。

      次に、あらかじめ開けられた穴にナットを置き、シートに対して平らに配置されていることを確認します。ナットの上部に適合するダイを備えた標準的なプレスツールを使用します。ツールに安定した均等な圧力を加えます。所定の位置にロックされると、わずかな「カチッ」という音が感じられます。 1 ~ 2 秒間圧力を保持して、しっかりと固定されていることを確認します。

      ハンマーによる打撃は避けてください。ナットが曲がったり、板金が損傷したりする可能性があります。薄い金属板から中程度の金属板 (厚さ 0.5 ~ 2 mm) に最適です。取り付け後はナットが空転することなくスムーズにボルトをねじ込むことができます。カラーローリングナット付きラウンドノブは初心者でも簡単に使用でき、複雑なスキルは必要ありません。

      製品の梱包

      ナッツを安全に保つために、シンプルで実用的なパッケージを使用しています。少量の注文やサンプルの場合は、透明なビニール袋に梱包されます。通常は 1 袋あたり 100 個または 200 個入りです。各バッグには、サイズ、素材、バッチ番号を記載した基本的なラベルが付いているため、必要なものを簡単に見つけることができます。

      大量注文の場合は丈夫なダンボールに入れられます。ナットのサイズに応じて、各カートンには 5,000 ~ 10,000 個が入ります。輸送中に傷がついたり動き回ったりしないように、内側にフォームまたはバブルラップを入れています。カートンには、「乾燥した状態に保つ」または「重いものを積み重ねない」など、取り扱いに関する明確なマークが付いています。

      バッグのロゴやパックごとの特定の数量など、カスタムパッケージが必要な場合は、ご注文時にお知らせください。余分な派手なものはなく、保管と輸送に適したものだけが必要です。これらの標準オプションが用意されており、ほとんどの小規模作業場、大規模工場、DIY ユーザーのニーズに適合します。

      Round Knobs With Collar Rolling Nut

      質疑応答

      カラーローリングナット付き丸ノブに適した板金の厚さはどれくらいですか?  

      A: 厚さの範囲が 0.5mm ~ 2.5mm の、薄板から中程度の金属板に最適です。金属が厚すぎると適切にロックできなくなり、薄すぎると取り付け中に変形する可能性があります。冷間圧延鋼板、アルミニウム、ステンレス鋼板などの一般的な材料はすべて問題ありません。事前に開けられた穴のサイズがナットの外径と一致していることを確認してください。参考として必要な場合は、サイズ表を提供します。  

      Round Knobs With Collar Rolling Nut

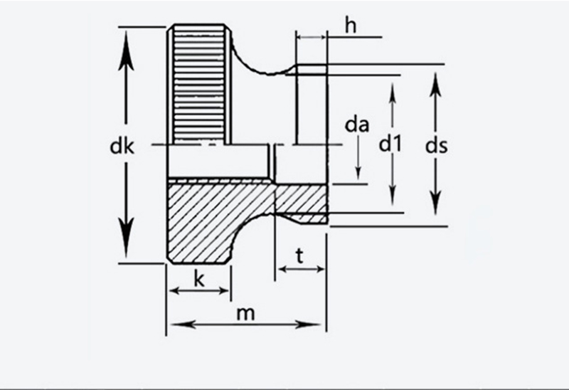
      サイズ ピッチ 外径 身長 k DS d1 T h
      最大 最大 最大 最大 最大
      M3 0.5  11  10.7  6.64  2.8  5.7  3.5  3.2  5.2  1.2 
      M4 0.7  12  11.7  7.64  7.64  4.5  4.2  6.4  2.5  1.5 
      M5 0.8  16  15.7  10  96.6  10  9.64  5.5  5.5 
      M6 20  19.7  12  11.6  12  11.6  6.56  6.2  11  2.5 
      M8 1.25  24  23.7  16  15.6  16  15.6  8.86  8.5  13 
      M10 1.5 30 29.7 20 19.5 8 20 19.5 10.9 10.5 17.2 6.5 3.8
      ホットタグ: カラーローリングナット付きラウンドノブ、中国、メーカー、サプライヤー、工場
      関連カテゴリー
      お問い合わせを送信
      下記フォームよりお気軽にお問い合わせください。 24時間以内に返信いたします。
      X
      We use cookies to offer you a better browsing experience, analyze site traffic and personalize content. By using this site, you agree to our use of cookies. Privacy Policy
      Reject Accept