セルフアンカー拡張ボルトは、主にネジ、膨張チューブ、ナット、その他の部品で構成されています。取り付け中に、ナットを締めることにより、ネジは膨張チューブを駆動してボアホール内で膨張し、壁または他のベース表面にしっかりと固定します。
	
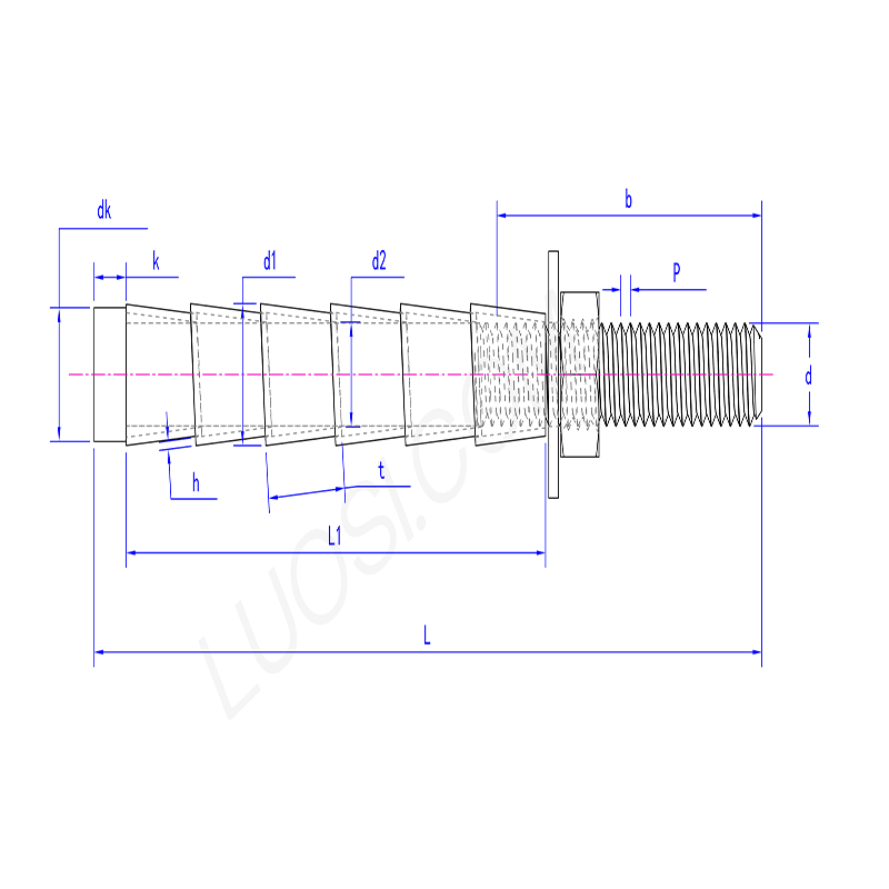
| 月 | m6 | M8 | M10 | M12 | M16 | M20 | M22 | M24 | 
| P | 1 | 1.25 | 1.5 | 1.75 | 2 | 2.5 | 2.5 | 3 | 
| DKマックス | 10 | 12 | 14 | 16 | 20 | 24 | 26 | 28 | 
| dk min | 9 | 11 | 13 | 15 | 19 | 23 | 25 | 27 | 
| L1 | 45 | 60 | 70 | 75 | 100 | 125 | 150 | 180 | 
| k | 5 | 5 | 5 | 5 | 5 | 5 | 5 | 5 | 
| D1 | 9.8 | 11.8 | 13.8 | 15.8 | 19.8 | 23.8 | 25.8 | 27.8 | 
| D2 | 6.2 | 8.2 | 10.2 | 12.2 | 16.2 | 20.2 | 22.2 | 24.2 | 
| h | 0.6 | 0.8 | 0.8 | 0.8 | 0.9 | 1 | 1 | 1.2 | 
| t | 10 | 12 | 12 | 14 | 14 | 16 | 16 | 20 | 
| L | 65 | 85 | 100 | 110 | 150 | 200 | 250 | 300 | 
	
自己修正拡張ボルトは、コンクリートまたは石積み構造にオブジェクトをしっかりと固定できます。穴を開け、ボルトを挿入してから、ナットを締めるだけです。締めると、ボルト自体が穴内で拡張されます。通常、コーンを袖に引っ張り、それによりしっかりと機械的ロックを作成し、壁にしっかりと固定することによって形成されます。
	
セルフアンカー拡張ボルトの取り付けは非常にシンプルです。正しいサイズの穴を開け、ほこりを取り除き、ハンマーでボルトをノックしてから、レンチでナットを締めます。引き締めプロセス中、拡張メカニズムは、基本材料を開いてしっかりと把握することを余儀なくされます。これは、しっかりした固定を実現できる直接的な「インストールと締め付け」プロセスです。
	
たとえば、ブラケットをコンクリートの壁に固定し、機械式ベースを床に固定し、手すりを固定するか、柱を基礎に固定します。これらは、固体コンクリート、レンガ、またはブロックの中程度から重い操作に非常に適しており、基礎が建設された後、強力で取り外し可能なアンカーポイントを追加する必要があります。
	
セルフアンカー拡張ボルトは、強力な適応性を持っています。さまざまなベースプレーンに強い適応性を備えています。適切な穴が掘削されている限り、コンクリートの壁、レンガの壁、または木製の構造であろうと、非常に良いアンカーの役割を果たすことができます。さらに、さまざまな仕様があります。実際のインストール要件とベース表面の条件に応じて、さまざまなインストールシナリオを満たすために適切なサイズを選択できます。
	