> 製品 > ボルト > アンカーボルト > 角頭角首アンカーボルト
        角頭角首アンカーボルト
        • 角頭角首アンカーボルト角頭角首アンカーボルト
        • 角頭角首アンカーボルト角頭角首アンカーボルト
        • 角頭角首アンカーボルト角頭角首アンカーボルト

        角頭角首アンカーボルト

        角頭角首アンカー ボルトは、角頭の底部に角首が接続され、もう一方の端がねじ構造になっています。Xiaoguo® 工場で製造されたボルトは、小規模な DIY プロジェクトや大規模な建設に適しており、コンクリートやその他の硬質材料にもよく使用できます。
        モデル:BS 7419-1991

        お問い合わせを送信

        製品説明

        角頭角首アンカーボルトは頭部が角形で首も角形です。四角いヘッドデザインにより、レンチの接触面積が大きくなり、より安定した力を加えることができます。強いトルクと滑り止め対策が必要なシナリオで特に実用的です。

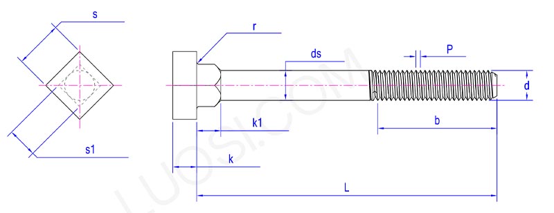
        製品パラメータ

        square head square neck anchor bolts parameter


        M16
        M20
        M24
        M30
        M36
        M42
        M48
        M56
        M64
        P
        2 2.5 3 3.5 4 4.5 5 5.5 6
        b最大
        122 127.5 133 140.5 148 155.5 163 172.5 182
        B分
        116 120 124 130 136 142 148 156 164
        ds マックス
        16.7 20.84 24.84 30.84 37 43 49 57.2 65.2
        DS 分
        15.3 19.16 23.16 29.16 35 41 47 54.8 62.8
        K分
        9.25 11.6 14.1 17.65 21.45 24.95 28.95 33.75 38.75
        kmax
        10.75 13.4 15.9 19.75 23.55 27.05 31.05 36.25 41.25
        R分
        0.6 0.8 0.8 1 1 1.2 1.6 2 2
        最大
        24 30 36 46 55 65 75 85 95

        23.16 29.16 35 45 53.8 63.1 73.1 82.8 92.8
        K1分
        7.25 9.25 11.1 14.1 17.1 19.95 22.95 26.95 30.75
        k1 最大
        8.75 10.75 12.9 15.9 18.9 22.05 25.05 29.05 33.25
        s1最大
        16.7 20.84 24.84 30.84 37 43 49 57.2 65.2
        S1分
        15.3 19.16 23.16 29.16 35 41 47 54.8 62.8

        製品の特徴

        角頭角首アンカーボルトとは、コンクリートが固まる前に埋め込まれた強固なボルトを指します。コンクリートが硬化するとスクエアネックがロックします。ボルト後でナットを締めるときに回転しないように所定の位置に取り付けます。柱、機械、形鋼などの重量物をコンクリート基礎に直接固定する基礎です。

        アンカーボルトはしっかりと設置されています。ナットを締め付けると、角首がコンクリートや木材などの設置材料にしっかりとクランプされ、ボルトがナットと一緒に回転するのを防ぎます。このようにして、固定されたオブジェクトは所定の位置にしっかりと留まり、簡単に揺れたりずれたりすることはありません。

        このメートルアンカーボルトの設置は、コンクリートの注入プロセス中に実行されます。テンプレートまたは固定具を使用して、ネジの付いた端が上を向くように配置します。重要なステップは、四角い首の部分を濡れたコンクリートに埋め込むことです。コンクリートがスクエアネックの周囲で固まるので、スクエアネックをしっかりと掴みます。その後、アイテムをボルトの上に置き、露出したネジ山にナットを締めるだけです。

        角頭角首アンカーボルトは衝撃に強いです。ボルトは角首の周囲の硬化材料によってコンクリートに物理的に固定されるため、振動や動きによってボルトが緩む可能性が低くなります。これにより、風や交通などの動的荷重を受ける振動する機械や構造物を確実に固定することができます。


        ホットタグ: スクエアヘッドスクエアネックアンカーボルト、中国、メーカー、サプライヤー、工場
        関連カテゴリー
        お問い合わせを送信
        下記フォームよりお気軽にお問い合わせください。 24時間以内に返信いたします。
        X
        当社は Cookie を使用して、より良いブラウジング体験を提供し、サイトのトラフィックを分析し、コンテンツをパーソナライズします。このサイトを使用すると、Cookie の使用に同意したことになります。 プライバシーポリシー
        拒否する 受け入れる