Tヘッドアンカーボルトには、厚いT字型ブロック構造があります。ロッドボディはまっすぐなシリンダーです。一方の端はT字型のヘッドに接続され、もう一方の端は外部スレッドで処理され、特定のT字型グルーブに埋め込むことができます。
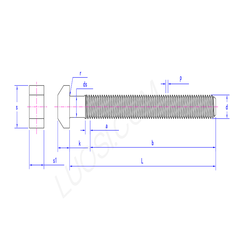
| 月 | M24 | m30 | 
| P | 3 | 3.5 | 
| DS | 20 | 26 | 
| マックス | 12 | 15 | 
| k | 15 | 19 | 
| s | 43 | 54 | 
| S1 | 24 | 30 | 
| r | 2 | 2 | 
	
Tアンカーボルトは、主に鉄道コンクリートの寝台車にトラックを固定するために使用されます。平らな「t」形の部分は、ボルトの回転を防ぐために、スリーパーの溝にしっかりと埋め込まれています。ねじ付き端は上方に突き出ており、レールパッドと固定クランプを固定するために使用されます。すべてのコンポーネントをしっかりとロックして、列車が振動し、負荷が動くのを防ぎます。
Tヘッドアンカーボルトのヘッドは、主に回転を防ぐために機能します。スリーパーの溝に固定されると、回転できません。これは、回転が接続強度を弱めるため、トラックの上のナットを締めるときに重要です。一定のトルクと保持力を保証します。
Tアンカーボルトは、六角形のヘッドアンカーボルトとは異なります。アンカーボルトが所定の位置に固定されると、回転しなくなります。枕木に物理的に埋め込まれています。六角形のヘッドアンカーボルトは、寝台車の表面で摩擦に依存しています。変位がゼロを必要とする重要なトラックアンカーの場合、その信頼できる機械的ロックは非常に重要です。
Tヘッドアンカーボルトの場合、設置材料に特に大きく複雑な穴を掘る必要はありません。適切な小さな穴を作り、ボルトを挿入するだけで、非常にしっかりと固定できます。それは良好な固定効果を持ち、大きな張力と圧縮力に耐えることができます。高い固定強度が必要な多くの場所で使用することができます。
	