ショルダータイプ ファスナーのアイボルトグレードは、安全に持ち上げるために重要な強度と材料の規格によって定義されています。一般的なグレードには、炭素鋼のバリエーションとして 4.8、8.8、10.9、12.9 が含まれます。数値が大きいほど、引張強度が高くなります。グレード 4.8 は家庭での DIY などの軽作業に適しており、8.8 は一般的な産業用途に適しています。高強度の 10.9 および 12.9 グレードは、建設または機械の重荷重に対応します。
ステンレス鋼バージョンは多くの場合、海洋/化学環境での耐食性を優先して、A4 (316) または A2 (304) グレードに従います。鍛造合金鋼グレードは、極端な持ち上げに対して優れた耐久性を提供します。各グレードには定格荷重がマークされており、対象用途との互換性と安全性の遵守が保証されています。
ショルダータイプアイボルトの品質管理とは、安全性と正常に動作することを確認するために徹底的なチェックを行うことを意味します。このプロセスには通常、材料グレードが正しいことを確認し、ねじ山が正確であるかどうかをチェックし、負荷テストを実行して作業荷重制限 (WLL) を確認することが含まれます。また、寸法が DIN や ISO などの規格に一致しているかどうかもチェックします。アイボルトのすべてのバッチは追跡可能である必要があり、使用方法の要件を満たしていることを証明する証明書を取得できます。

質問: ショルダータイプアイボルトを正しく取り付けるにはどうすればよいですか?標準ボルトの場合、タップ穴に真っすぐに最後までねじ込みます。アイショルダーが表面に接触していることを確認してください。斜めに引っ張ると安全な作業荷重が完全に減少し、危険です。

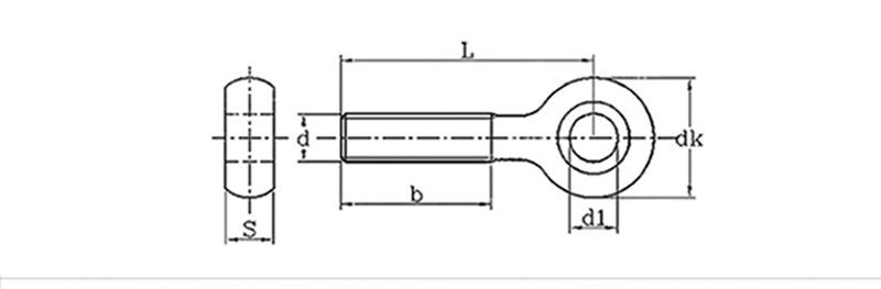
mm
ねじ径
d1
DK
s
M6
5
10.5
5.4
M8
6
13
7
M10
8
16
8.5
M12
10
19
10.5
M14
10
22
12