> 製品 > ナット > 丸ナット > 二重固定スロットロッキング丸ナット
        二重固定スロットロッキング丸ナット
        • 二重固定スロットロッキング丸ナット二重固定スロットロッキング丸ナット
        • 二重固定スロットロッキング丸ナット二重固定スロットロッキング丸ナット
        • 二重固定スロットロッキング丸ナット二重固定スロットロッキング丸ナット
        • 二重固定スロットロッキング丸ナット二重固定スロットロッキング丸ナット
        • 二重固定スロットロッキング丸ナット二重固定スロットロッキング丸ナット

        二重固定スロットロッキング丸ナット

        ダブル固定スロット付きロッキング丸ナットは、20 年以上の経験を持つ Xiaoguo® の製品であり、精密ファスナーの世界市場への大手メーカーおよび輸出業者となっています。通常、このナットは硬化鋼またはステンレス鋼で製造され、大きなせん断応力と引張応力に耐えるように設計されています。

        お問い合わせを送信

        製品説明

        この二重固定スロット付きロッキング丸ナットは、自動車の組み立てにおいて重要なコンポーネントです。特にホイールアクスルベアリングとアクスルシステムの固定には、振動に耐えられることが重要です。内側にフランジを備えた円形のデザインが特徴で、内部のロック部品と放射状の溝により、指定された位置にしっかりと固定できます。

        当社はこれらのナットを自動機械を使用して大量に生産しているため、価格競争力が非常に高くなります。 10,000 個以上のご注文の場合は、5% の割引をお楽しみいただけます。通常、光沢のある亜鉛コーティングの表面処理が施されており、速達で迅速に配達いたします。

        輸送の安全性を確保するために、当社では製品を二重に保護しています。まず、湿気や腐食を防ぐために頑丈なビニール袋に密封し、輸送中の物理的な衝撃や損傷に効果的に耐えられるよう頑丈なカートンに梱包します。

        製品詳細

        航空宇宙分野では、二​​重固定スロット付きロッキング丸ナットは例外なく、正確で信頼性が高くなければなりません。これらは、エンジン取り付けシートや飛行制御リンク装置などのコンポーネントによく使用されます。これらのナットは通常、滑らかな円形の高級合金で作られており、簡単かつ安全に配線できるように精密に機械加工されたスロットが付いています。

        優れた品質にも関わらず、当社の価格は競争力を維持しています。ご注文数量が 50,000 個を超える場合は、大幅な割引を受けることができます。一般的な表面処理には、不動態化ステンレス鋼またはカドミウムメッキが含まれます。当社は専門物流会社との緊密な連携を確立し、成熟した物流ネットワークを通じて効率的かつ安全な輸送サービスを提供し、世界各地へ商品をスムーズにお届けします。すべてのパッケージは防水性と不正開封防止性を備えた設計になっています。

        よくある質問

        Q: 溝付きロック丸ナットの主な機能と用途は何ですか?

        A: 二重固定スロット付きロッキング丸ナットは、ネジ付きコンポーネントにしっかりとロックするように設計されており、目視検査が容易です。この二重固定スロット付きロック丸ナットの主な機能は、回転シャフト、車軸、精密機械などのアセンブリの振動による緩みを防止することです。スロット付きの丸い形状により、割りピンや安全ワイヤーの挿入が可能になり、二重固定スロット付きロッキング丸ナットは、自動車および産業分野にわたる安全性が重要な用途に不可欠なものとなっています。

        Double Secured Slotted Locking Round Nut


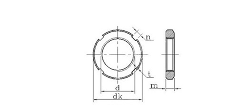
        d*P
        DK m n t 1000

        kg

        d*P
        DK m n t 1000

        ≈kg
        ナックス にん 最大 最大 ナックス
        M10*1 22 8 4.3 4 2.6 2 16.82 M64*2 95 12 8.36 8 4.25 3.5 351.9
        M12*1.25 25 21.58 M65*2 95 342.4
        M14*1.5 28 26.82 M68*2 100 10.36 10 4.75 4 380.2
        M16*1.5 30 5.3 5 3.1 2.5 28.44 M72*2 105 15 518
        M18*1.5 32 31.19 M75*2 105 477.5
        M20*1.5 35 37.31 M76*2 110 562.4
        M22*1.5 38 10 54.91 M80*2 115 608.4
        M24*1.5 42 68.88 M85*2 120 640.6
        M25*1.5 42 68.88 M90*2 125 18 12.43 12 5.75 5 796.1
        M27*1.5 45 75.49 M95*2 130 834.7
        M30*1.5 48 82.11 M100*2 135 873.3
        M33*1.5 52 6.3 6 3.6 3 93.32 M105*2 140 895
        M35*1.5 52 84.99 M110*2 150 14.43 14 6.75 6 1076
        M36*1.5 55 100.3 115*2 155 22 1369
        M39*1.5 58 107.3 M120*2 160 1423
        M40*1.5 58 109.5 M125*2 165 1477
        M42*1.5 62 121.8 M130*2 170 1531
        M45*1.5 68 153.6 M140*2 180 26 1937
        M48*1.5 72 12 8.36 8 4.25 3.5 201.2 M150*2 200 16.43 16 7.9 7 2651
        M50*1.5 72 186.8 M160*3 210 2810
        M52*1.5 78 238 M170*3 220 2970
        M55*2 78 214.4 M180*3 230 30 3610
        M56*2 85 290.1 190*3 240 3794
        M60*2 90 320.3 M200*3 250 3978

        ホットタグ: 二重固定スロットロッキング丸ナット
        関連カテゴリー
        お問い合わせを送信
        下記フォームよりお気軽にお問い合わせください。 24時間以内に返信いたします。
        X
        当社は Cookie を使用して、より良いブラウジング体験を提供し、サイトのトラフィックを分析し、コンテンツをパーソナライズします。このサイトを使用すると、Cookie の使用に同意したことになります。 プライバシーポリシー
        拒否する 受け入れる