> 製品 > ナット > 丸ナット > 耐震性溝付きゆるみ止め丸ナット
        耐震性溝付きゆるみ止め丸ナット
        • 耐震性溝付きゆるみ止め丸ナット耐震性溝付きゆるみ止め丸ナット
        • 耐震性溝付きゆるみ止め丸ナット耐震性溝付きゆるみ止め丸ナット
        • 耐震性溝付きゆるみ止め丸ナット耐震性溝付きゆるみ止め丸ナット
        • 耐震性溝付きゆるみ止め丸ナット耐震性溝付きゆるみ止め丸ナット
        • 耐震性溝付きゆるみ止め丸ナット耐震性溝付きゆるみ止め丸ナット

        耐震性溝付きゆるみ止め丸ナット

        振れ止めスロット付きロッキング丸ナットは、キャステレーションナットとも呼ばれ、ユニークなデザインです。位置合わせされたコンポーネントに割りピンを挿入することで、確実な機械的ロックが可能になります。 Xiaoguo® は専門メーカーであり、国際品質基準に認証された製造プロセスを備えており、製品の信頼性と性能を保証しています。

        お問い合わせを送信

        製品説明

        再生可能エネルギーの分野、特に風力タービンのギアボックスや太陽光追跡システムでは、耐震性スロット付きロッキング丸ナットの振動に耐える能力が非常に重要です。通常、その設計は負荷を均等に分散できる丸いベースを特徴としています。

        グリーンテクノロジーをサポートするために競争力のある価格を提供します。 30,000 ユニットを超える注文には数量割引が適用されます。これらのナットは、防錆性と耐久性を高めるために標準的な溶融亜鉛メッキ仕上げで定期的に処理されています。当社は物流を管理し、遠隔地のプロジェクト現場に時間どおりに配送できるようにします。

        当社の品質チェックには耐食性を保証するための塩水噴霧テストが含まれており、各ナットには材料証明書が付属しています。

        製品の利点

        耐震性スロット付きロッキング丸ナットは、放射状スロットと内部ロック機構を備えた特別に設計されたファスナーで、通常はナイロン リングまたは変形可能なねじ山で構成されます。円形で薄型の形状により、さまざまな産業分野 (自動車、航空宇宙、機械など) の狭いスペースに簡単に設置できます。ナットは優れた緩み止め性能を備えており、強い振動環境下でも長期的な安定性と接続の信頼性を確保できます。通常、腐食の問題を効果的に防ぐために亜鉛メッキプロセスで処理されます。これに基づいて、費用対効果と長期信頼性の両方を考慮することもできます。通常、大量注文には割引が適用されます。お客様が受け取る製品が無傷で信頼できるものであることを保証するために、当社では耐久性のある防湿梱包を使用して輸送上の課題に対処し、トルクと振動のテストを実施して潜在的な問題を特定し、ISO 9001 認証基準を使用してプロセス全体を制御して製品の性能と安全性を確保します。

        よくある質問

        Q: スロット付きロック機構は実際のアプリケーションではどのように機能しますか?

        A: 耐震スロット付きロッキング丸ナットは、そのスロットをボルトまたはシャフトの事前に開けられた穴に合わせてから、両方のコンポーネントに割りピンまたは安全ワイヤーを挿入することによって機能します。この機械的ロック方式により、激しい振動が加わった場合でも、耐震性スロット付きロック丸ナットが緩んで回転するのを防ぎます。 Shakeproof スロット付きロッキング丸ナットを適切に取り付けると、ロッキング ピンが意図的に取り外されるまで永続的な安全性が確保されます。


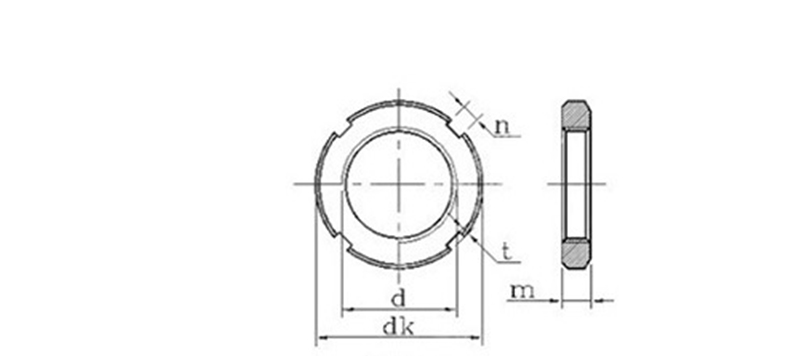
        Shakeproof Slotted Locking Round Nut

        d*P
        DK m n t 1000

        kg

        d*P
        DK m n t 1000

        ≈kg
        ナックス にん 最大 最大 ナックス
        M10*1 22 8 4.3 4 2.6 2 16.82 M64*2 95 12 8.36 8 4.25 3.5 351.9
        M12*1.25 25 21.58 M65*2 95 342.4
        M14*1.5 28 26.82 M68*2 100 10.36 10 4.75 4 380.2
        M16*1.5 30 5.3 5 3.1 2.5 28.44 M72*2 105 15 518
        M18*1.5 32 31.19 M75*2 105 477.5
        M20*1.5 35 37.31 M76*2 110 562.4
        M22*1.5 38 10 54.91 M80*2 115 608.4
        M24*1.5 42 68.88 M85*2 120 640.6
        M25*1.5 42 68.88 M90*2 125 18 12.43 12 5.75 5 796.1
        M27*1.5 45 75.49 M95*2 130 834.7
        M30*1.5 48 82.11 M100*2 135 873.3
        M33*1.5 52 6.3 6 3.6 3 93.32 M105*2 140 895
        M35*1.5 52 84.99 M110*2 150 14.43 14 6.75 6 1076
        M36*1.5 55 100.3 115*2 155 22 1369
        M39*1.5 58 107.3 M120*2 160 1423
        M40*1.5 58 109.5 M125*2 165 1477
        M42*1.5 62 121.8 M130*2 170 1531
        M45*1.5 68 153.6 M140*2 180 26 1937
        M48*1.5 72 12 8.36 8 4.25 3.5 201.2 M150*2 200 16.43 16 7.9 7 2651
        M50*1.5 72 186.8 M160*3 210 2810
        M52*1.5 78 238 M170*3 220 2970
        M55*2 78 214.4 M180*3 230 30 3610
        M56*2 85 290.1 190*3 240 3794
        M60*2 90 320.3 M200*3 250 3978

        ホットタグ: 耐震性溝付きゆるみ止め丸ナット
        関連カテゴリー
        お問い合わせを送信
        下記フォームよりお気軽にお問い合わせください。 24時間以内に返信いたします。
        X
        当社は Cookie を使用して、より良いブラウジング体験を提供し、サイトのトラフィックを分析し、コンテンツをパーソナライズします。このサイトを使用すると、Cookie の使用に同意したことになります。 プライバシーポリシー
        拒否する 受け入れる