PCB ボード用のこれらの UN リベット留めスタッドは、通常、低炭素鋼やステンレス鋼、アルミニウムなどの良質な鋼合金で作られています。堅牢な機械的強度を備えており、長期間にわたって耐久性に優れています。
スチール製のものは、引張強度とせん断強度が最も優れています。一方、アルミニウム製は電気をよく通し、軽いです。
これらのスタッドに選択された金属は、重い機械的負荷、加熱および冷却サイクルによるストレスに耐えることができ、製品の使用中ずっと強度を維持できることを意味します。
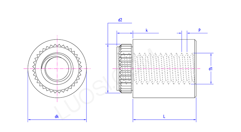
PCB 基板用の UN リベットスタッドは、プリント基板 (PCB) 上に信頼性の高い雄ねじ固定点を提供するために使用される永久的な高強度ファスナーです。ここで、「UN」は通常「統一国家規格」を表し、さまざまな標準ナットとの互換性を保証する、標準化されたねじ山の種類 (UNC または UNF など) を指します。
インストールプロセスは迅速かつ効率的です。 PCB ボードに事前に開けられた穴にスタッドを挿入します。次に、専用のリベット締めツールを使用してスタッドの平らな端を変形させ、外側に拡張してリベットの頭とスタッドのショルダーまたはフランジの間にしっかりとグリップし、溶接を必要とせずに強力で振動に強い接続を形成します。
この方法は、大きな機械的応力に耐える必要があるシナリオ、複数回のプラグイン操作を行う必要があるシナリオ、または溶接によって発生する熱が敏感なコンポーネントに損傷を与える可能性があるシナリオに特に適しています。
これらの PCB ボード用 UN リベットスタッドは、冷間成形またはリベット留め方法を使用して取り付けられます。
PCB に事前に開けられた穴にスタッドを差し込みます。次に、特殊なリベット留めツールがスタッドのシャンクをボードの下のダイに対して曲げ、スタッドを所定の位置に保持する永久的なフレア状のロックを作成します。
冷間加工法は発生する熱が少なく、PCB ラミネートや回路に損傷を与えません。正しく取り付けられた場合、スタッドは回路基板の構造を損なうことなく、強力かつ耐振動性の固定を実現します。

| 市場 | 収益(前年度) | 総収益 (%) |
| 北米 | 機密 | 20 |
| 南アメリカ | 機密 | 4 |
| 東欧 | 機密 | 24 |
| 東南アジア | 機密 | 2 |
| アフリカ | 機密 | 2 |
| オセアニア | 機密 | 1 |
| 中東 | 機密 | 4 |
| 東アジア | 機密 | 13 |
| 西欧 | 機密 | 18 |
| 中米 | 機密 | 6 |
| 北欧 | 機密 | 2 |
| 南ヨーロッパ | 機密 | 1 |
| 南アジア | 機密 | 4 |
| 国内市場 | 機密 | 5 |