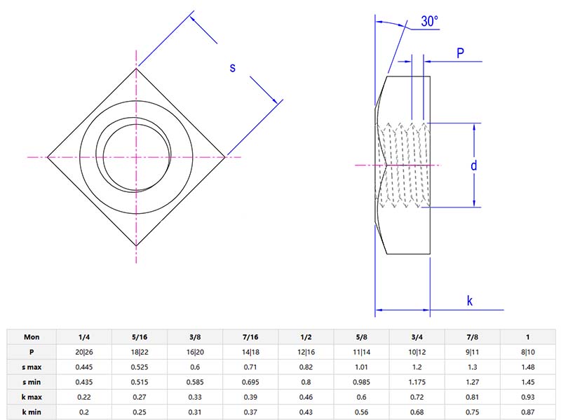
The 粗い仕上げの正方形nutは、大きな糸(粗いピッチ)と正方形の形状を備えた基本的な飾り気のない留め具です。しばしば亜鉛メッキまたは黒い酸化物コーティングされたその粗い表面仕上げは、錆に抵抗し、厳しい仕事を処理します。

過酷な環境でボルトを使用する必要がある場合は、選択できます粗い仕上げの正方形のナット。その生の表面は、汚れた環境や脂っこい環境でもより良く保持され、締め付け中の滑りが減少します。正方形のナットは、レンチまたはプライヤーで所定の位置にロックできます。機械、農業用具、または建設に適しています。派手なコーティングはなく、基本的な鋼鉄だけで、高強度の使用が簡単です。
古いトラックやトラクターを固定するメカニックは、しばしば使用します粗い仕上げの正方形のナットさびたまたは摩耗したボルトの場合。粗い表面は、磨かれたナットよりも損傷した糸に適応し、正方形の形状は重いトルクの下で丸くなりません。排気システム、シャーシの修理、またはグリースや汚れにさらされたものに最適です。ただそれを下げて、動き続けてください。
農民がプラウや灌漑用具を修理するとき、彼らはしばしば粗い仕上げの正方形のナット操作が簡単だからです。粗い表面は、詰まりを防ぐために、汚れや汚れを効果的に処理できます。四角いナットは、狭いスペースで固定できます。手袋を使用しても、基本的なツールのみを使用して簡単にインストールできます。ダウンタイムなしの迅速な修理に最適です。

| 市場 |
総収益(%) |
| 北米 |
15 |
| 南アメリカ |
10 |
| 東欧 |
12 |
| 東南アジア |
10 |
| ミッドイースト |
7 |
| 東アジア |
17 |
| 西欧 |
15 |
| 南アジア |
6 |
| 国内市場 |
8 |
粗い仕上げの正方形のナットメンテナンスコストが低い。スレッドが錆びているか、使用中に落ちるかを確認してください。コーティングが着用されている場合は、交換してください。ナットが塩環境にある場合は、糸を塗ります。緊張を避けてください。厚いスレッドは、細かいスレッドよりも簡単に落ちます。