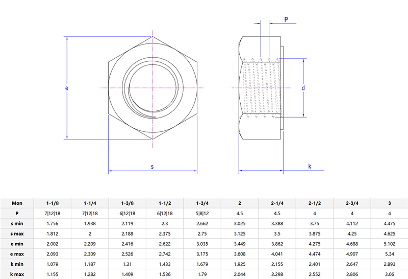
重いヘックスフラットナット機械、建設、または強力で控えめなファスナーを必要とする任意の業界に適用されます。通常の六角形のナットとは異なり、それらは厚く、表面に平らに接着することができ、限られたスペースに非常に適しています。

平重いヘックスフラットナット摩耗します。亀裂、錆、丸いエッジのナットを確認してください。損傷は、新しいものに置き換える必要があることを意味します。ナットがきれいなボルトで自由に回転できる場合、糸がすり減っていることを示します。高温とストレスは、時間の経過とともにナッツの強度を低下させます。さまざまなグレードのナットを混ぜないでください:Aグレードのナットが8グレードのボルトに配置されている場合、結果は想像できません。
重いヘックスフラットナッツ大規模なナットを取り付けることができない状況で重要な役割を果たします。たとえば、スペースが限られたコンベアベルト、車のフレーム、または産業用具。それらの平らな表面は突起を減らし、それにより、捕まえたり損傷を受けるリスクを低下させたりします。また、配管システムでも非常に一般的です。ナッツがデブリを突き止めてジャムすることを望んでいる人はいません。プロフェッショナルなヒント:使用してください重いヘックスフラットナット荷重を均等に分配するための平らな洗濯機と組み合わせて。あなたの仕事が強くてコンパクトなナッツを必要とするなら、このタイプのナットはあなたに最適です。
市場
収益(前年)
総収益(%)
北米
機密
15
南アメリカ
機密10
25
東欧
機密
13
東南アジア
機密
5
ミッドイースト
機密
7
東アジア
機密
13
西欧
機密
12
中米
機密
5
南アジア
機密
10
国内市場
機密
5
インストールするとき重いヘックスフラットナット、トルクレンチを使用して、仕様を満たすまで締めます。過度の締め付けは糸の摩耗を引き起こす可能性がありますが、締めが不十分な場合は糸の緩みにつながる可能性があります。ナッツの表面は平らです。つまり、それらはフラッシュすることを意味します。したがって、それらが揃っているかどうかを確認してください。表面が滑らかでない場合は、傷を防ぐためにガスケットを追加してください。さらに、キージョイントの古いナットを再利用しないでください。ダメージを避けるために、それらを新しいものと交換してください。