> 製品 > ナット > 六角ナット > 高強度六角形溶接ナット
      高強度六角形溶接ナット
      • 高強度六角形溶接ナット高強度六角形溶接ナット
      • 高強度六角形溶接ナット高強度六角形溶接ナット
      • 高強度六角形溶接ナット高強度六角形溶接ナット
      • 高強度六角形溶接ナット高強度六角形溶接ナット
      • 高強度六角形溶接ナット高強度六角形溶接ナット

      高強度六角形溶接ナット

      亜鉛メッキや亜鉛めっきなどの表面処理は、一般的に高強度の六角形溶接ナットに適用され、さまざまな環境での耐食性と耐久性が向上します。 Xiaoguo®を選択するということは、何よりも信頼性、品質、顧客満足度を重視する企業と提携することを意味します。これは、メーカーとシームレスに協力して、すべてのソリューションが最高水準の卓越性を満たすことを保証します。
      モデル:DIN 929-2000

      お問い合わせを送信

      製品説明

      高強度の六角形溶接ナットのメーカーは、業界の基準に従って生成する必要があり、ナットの強度、精度、溶接品質が基準を満たすことができます。また、さまざまなサプライヤーからのナッツが交換可能であることが多いことを意味します。たとえば、DIN標準は、正確なサイズ、材料、強度の要件などを定義します。 ISOの標準は、品質を国際的に一貫性を保つのに役立ちます。 ASTM標準は、テスト方法と材料仕様に重点を置いています。企業がこれらのルールに従うと、さまざまなアプリケーションでナットを使用し、他の準拠した部品に簡単に交換できます。

      製品の詳細

      道を進むと、高強度の六角形溶接ナット技術はおそらく良くなり続けるでしょう。製造業者は、新しい材料やミックスをテストして、さらに強化するためにさらにうまく機能するのを助けることができます。また、溶接ポイントまたはナットボディの形状を微調整して、溶接をきれいにし、より重い荷物をサポートすることもできます。溶接方法が改善するにつれて、より低いコストでより良い品質のナッツを生成することが可能です。このような更新は、六角溶接ナッツがさまざまな業界で有用で信頼性を維持するのに役立つはずです。

      Q:輸送用に高強度の六角形溶接ナットはどのようにパッケージ化されていますか?

      A:HEX溶接ナットを梱包して、配送中に安全に保ちます。大規模な注文には、標準化されたパッケージを使用します。厚くなった段ボール箱または高強度の密閉袋が外層に使用されます。材料の引張強度とシーリング特性は、水分とクッションの外部衝撃をブロックします。パッケージング後、商品は手動で較正され、機械的に支援され、バッファーパーティションを装備し、ストラップで固定した非スリップパレットに安定して積み重ねられます。道路であろうと海で輸送されるかどうかにかかわらず、それらはしっかりと積み重ねることができます。 「材料保護 +スタッキング補強材の二重保護

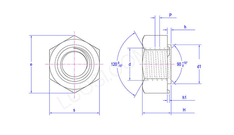
      M3 M4 M5 m6 M8 M10 M12 M14 M16
      P 0.5 0.7 0.8 1 1丨1.25 1丨1.25丨1.5 1.25丨1.5丨1.75 1.5丨2 1.5丨2
      D1マックス 4.47 5.97 6.96 7.96 10.45 12.45 14.75 16.75 18.735
      D1分 4.395 5.895 6.87 7.87 10.34 12.34 14.64 16.64 18.605
      e min 8.15 9.83 10.95 12.02 15.38 18.74 20.91 24.27 26.51
      Hマックス 0.55 0.65 0.7 0.75 0.9 1.15 1.4 1.8 1.8
      H MIN 0.45 0.55 0.6 0.6 0.75 0.95 1.2 1.6 1.6
      H1 Max 0.25 0.35 0.4 0.4 0.5 0.65 0.8 1 1
      H1分 0.15 0.25 0.3 0.3 0.35 0.5 0.6 0.8 0.8
      s max 7.5 9 10 11 14 17 19 22 24
      s min 7.28 8.78 9.78 10.73 13.73 16.73 18.67 21.67 23.67
      Hマックス 3 3.5 4 5 6.5 8 10 11 13
      H MIN 2.75 3.2 3.7 4.7 6.14 7.64 9.64 10.57 12.57

      High-strength Hexagon Weld Nut



      ホットタグ: 高強度六角形溶接ナット、中国、メーカー、サプライヤー、工場
      関連カテゴリー
      お問い合わせを送信
      下記フォームよりお気軽にお問い合わせください。 24時間以内に返信いたします。
      X
      We use cookies to offer you a better browsing experience, analyze site traffic and personalize content. By using this site, you agree to our use of cookies. Privacy Policy
      Reject Accept