メトリックスロットヘックスナットピンやワイヤーでロックできます。これは、緩みを防ぐために非常に信頼性があります。たとえば、鉄道にレールネジを設置したり、大きな振動がある場所である鉱山にコンベアベルトを固定するのに適しています。
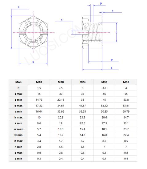
製品の詳細とパラメーター
材料は、亜鉛メッキ炭素鋼または316ステンレス鋼です。メトリックスロットヘックスナット塩スプレー、酸、アルカリに耐性があり、化学パイプラインやオフショアプラットフォームなどの非常に腐食性の環境に適しています。 Xiaoguo®は、屋外機器のサービス寿命を延長するためのDacrometコーティングオプションを提供します。

鉱業機械およびエンジニアリング車両では、メトリックスロットヘックスナット油圧ジョイントを固定し、ボルトを追跡するために使用されます。ピンがスロットに挿入された後、振動のために落ちることはなく、機器の継続的な動作の安全性が保証されます。
メトリックスロットヘックスナット緩みを防ぐためのフラットベースと、ドライバーロックを追加するためのスロットがあります。自転車の修理や雨にさらされた屋外機器の固定など、DIYプロジェクトに最適です。スチールまたは亜鉛メッキのビルドは錆に抵抗し、メトリックサイジングは標準ボルトで動作します。配管器具、機械フレーム、または追加の部品のないシンプルでデュアルロックソリューションが必要なものには使用してください。
| 市場 | 収益(前年) | 総収益(%) |
| 北米 | 機密 | 15 |
| 南アメリカ | 機密 | 3 |
| 東欧 | 機密 | 23 |
| 東南アジア | 機密 | 6 |
| ミッドイースト | 機密 | 5 |
| 東アジア | 機密 | 16 |
| 西欧 | 機密 | 13 |
| 中央アメリカ | 機密 | 5 |
| 北ヨーロッパ | 機密 | 6 |
| 南アジア | 機密 | 8 |
私たちと協力することの利点
私たちは、高品質の製品とサービスで多くの顧客の信頼と賞賛を獲得しました。私たちの顧客はすべての人生をカバーしています。顧客は私たちの品質を高く称賛しますメトリックスロットヘックスナット製品。私たちと協力することを選択すると、多くの成功した企業と高品質の製品とサービスを共有します。